
הנגשת דלפק הקבלה
להנגיש את המעברים בין פרטי הריהוט, אזורי ההמתנה, ומסלולי תור.
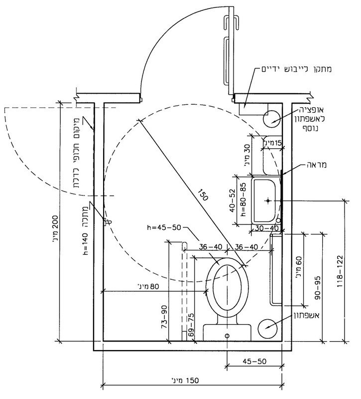
שלא כמו שירותים “רגילים”, שירותי נכים צריכים להעניק, למשתמשים בהם, את הנוחות המקסימאלית וגם את השליטה המלאה בהם כדי שלא יזדקקו לעזרתם של אחרים.
יש לעקוב אחר התקנים והדרישות אבל אין סיבה לוותר על עיצוב .
תא השירותים צריך להיות גדול ומרווח מאד ולאפשר לנכה לתמרן בו בקלות רבה באמצעות כיסא הגלגלים שעליו הוא יושב. דלת שירותי נכים צריכה להיפתח לכיוון חוץ, הן כדי שלא לצמצם את המרחב הפנימי ולסרבל את תנועותיו של הנכה והן כדי לאפשר לכל מי שרוצה לפתוח את הדלת של התא בקלות רבה יותר, אם הנכה עצמו איננו מסוגל לבצע זאת.


צריכים עזרה בהנגשת בית העסק - נשמח לעזור גלית דיין רביב